您好!欢迎访问太阳成tyc7111cc官网阀门苏州销售处官网!
太阳成tyc7111cc官网阀门——天津太阳成tyc7111cc官网阀门,上海太阳成tyc7111cc官网阀门专业生产闸阀,蝶阀,球阀,止回阀等,欢迎咨询合作。
全国咨询热线:13295105805
您的位置: 首页>产品展示>其他阀门

太阳成tyc7111cc官网BX43W二通保温旋塞阀

太阳成tyc7111cc官网BX43W二通保温旋塞阀简介:BX43W二通保温旋塞阀是关闭件或柱塞形的旋转阀,通过旋转90度使阀塞上的通道口与阀体上的通道口相通或分开,实现开启或关闭的一种阀门。旋塞阀保温夹套焊装于阀门的两法兰之间,阀门的侧面、底部设置有保温夹套的两个连接口,两个连接口可以通蒸汽或导热油以便循环、从而达到对介质所需要的温

在线咨询全国热线
13295105805

太阳成tyc7111cc官网BX43W二通保温旋塞阀简介:

BX43W二通保温旋塞阀是关闭件或柱塞形的旋转阀,通过旋转90度使阀塞上的通道口与阀体上的通道口相通或分开,实现开启或关闭的一种阀门。旋塞阀保温夹套焊装于阀门的两法兰之间,阀门的侧面、底部设置有保温夹套的两个连接口,两个连接口可以通蒸汽或导热油以便循环、从而达到对介质所需要的温度,防止介质结晶。旋塞阀广泛地应用于油田开采、输送和精练设备中,同时也广泛用于石油化工、化工、煤气、天然气、液化石油气、暖通行业以及一般工业中。


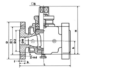
BX43W二通保温旋塞阀结构图:

BX43W二通保温旋塞阀结构图

BX43W二通保温旋塞阀工作原理:

它的阀塞的形状可成圆柱形或圆锥形。在圆柱形阀塞中,通道一般成矩形;而在锥形阀塞中,通道成梯形。这些形状使旋塞阀的结构变得轻巧。最适于作为切断和接通介质以及分流适用,但是依据适用的性质和密封面的耐冲蚀性,有时也可用于节流。

BX43W二通保温旋塞阀技术参数:

型号公称压力
PN(MPa)
试验压力PS(MPa)工作压力
P(MPa)
适用介质工作温度
(℃)
壳体密封
BX43W.0P1.01.51.11.0硝酸类等≤250
BX43W.0C1.01.51.11.0非腐蚀、弱腐蚀≤200


BX43W二通保温旋塞阀外形链接尺寸:

口径(DN)LDD1D2z-φd
209015010575554╳14
2511016011585654╳14
32115190135100784╳18
40150200145110854╳18
501702201601251004╳18
652202801801451204╳18
802503001951601354╳18
1003003402151801558╳18
1253502452101858╳18
1504002802402108╳23
2004503352952658╳23
2505303903503208╳23
3005804404003688╳23



在线客服
联系方式

热线电话

13295105805

上班时间

周一到周五

微信二维码
“扫码加微信咨询”
线